联系kaiyun入口

实验室资源

解决方案

产品展示

关于kaiyun入口

首页

技术分享

防短路起火有绝招,kaiyun入口电子引领安全防护器件新纪元.

导读

       2017年7月份,效力《体坛周报》10年之久的篮球记者李淼,被发现意外在家中去世,年仅35岁,死亡原因怀疑是由于空调内部元器件短路起火释放浓烟导致窒息。随着科技进步、生活水平提高,我们已根本离不开用电设备,那么究竟有多少危险潜伏在我们周围呢?


用电设备潜伏危险及解决方案

       用电设备都会在各端口安装防护器件,如GDT、MOV、TVS等,这些器件直接跨接在电路两端,用来吸收雷击、浪涌、静电等突波,当超额吸收这些突波后,防护器件会失效,而且呈现短路失效模式。这就是用电设备潜伏的危险和起火燃烧的原因之一。如需彻底解决该潜伏危险就需要开发能够开路失效的安全防护器件,下面将详细分析各端口风险及解决方案。


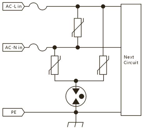
AC电源典型防护电路应用风险

     下图为电源口典型的三加一电路,三颗压敏加一颗气体放电管:

       根据设备应用环境,如电源口需要耐受5KA雷击,那么至少在电路中需要串入15A的保险丝,15A保险丝的动作电流为30A,也就是说在30A之前保险丝无法起到保护效果,但30A以下足以使压敏电阻起火燃烧。


      视频1:回路中加电1000V,20A时,15A的保险丝无法动作,压敏起 火燃烧。


AC电源T-MOV的应用风险

      T-MOV依照的标准为UL1449,具体关于T-MOV脱扣性能的部分条款如下:

     永久连接SPD,限流过电压测试的最大电流为10A,所以在电路中使用还是有盲区存在,当电路中的电流为10A-30A时,T-MOV就会起火燃烧。

     视频2: 回路中加电1000V,20A时,T-MOV起火燃烧。


有效解决方案

      如需彻底解决这个问题,我们需要一种理想电子元件,应具以下性能:

      1.  雷击能够正常通过,工频(1-50A)呈现开路失效;

      2.  定义不同工频电流对应切断电路的时间,在这个电流时间下,压敏可以耐受;

      3.  由于压敏击穿后阻抗不确定,发热量不受控制,所以不能依赖于压敏发热切断电路。

  

       开路失效气体放电管可以满足这三点性能,且可以在工频过来时很快切断电路,如下图为开路失效气体放电管的工频电流和断开时间测试曲线:


视频3:回路中加电1000V,20A时,开路失效气体放电管0.68S切断电路。


视频4:回路中加电1000V,40A时,开路失效气体放电管0.52S切断电路。


        开路失效气体放电管能够很快的断开工频电流而不依赖于外部热量,是由其内部结构决定的。


AC电源防护小结

      AC交流电源口通用三加一解决方案和T-MOV方案还是有导致起火燃烧的盲区存在,开路失效气体放电管正好解决了这个盲区,推荐使用在共模或差模之间串联压敏电阻使用。


DC电源风险及kaiyun入口新方案

       由于回路需要耐受500A的雷击,所以保险丝需要选2.5A慢熔保险丝,2.5A保险丝会在3.5A才能断开电路,所以3.5A以下为保险丝存在的盲区。

行业传统方案

kaiyun入口创新方案


网口防护风险及kaiyun入口新方案

         传统方案输电线搭接到网线上后,将会导致网口防护器件起火燃烧,kaiyun入口创新方案能彻底解决网口电力线搭接的问题。

行业传统方案

kaiyun入口创新方案



视频5:传统方案电力线搭接测试


ESD器件应用风险及kaiyun入口新方案

      行业传统ESD类防护器件由于突波等损坏时呈现短路失效,影响设备使用。kaiyun入口创新方案ESD类防护器件失效时呈现开路,不影响设备继续使用。

8/20μs  18A可以耐受,芯片不损坏;18A以上芯片会耐受或短路失效。



行业传统方案

kaiyun入口创新方案


8/20μs  18A可以耐受,芯片不损坏;18A以上芯片会耐受或开路失效。


总结

       目前在用电设备上被广泛使用的安全防护类器件,从开始使用也有近百年的时间,确实大大降低了用电设备被雷击、浪涌、静电等突波损害的几率,但该类器件的短路失效模式一直困扰着相关领域的技术人员。kaiyun入口电子研发的开路失效系列安全防护器件彻底解决了这一难题,引领安全防护器件新纪元。