联系kaiyun入口

实验室资源

解决方案

产品展示

关于kaiyun入口

首页

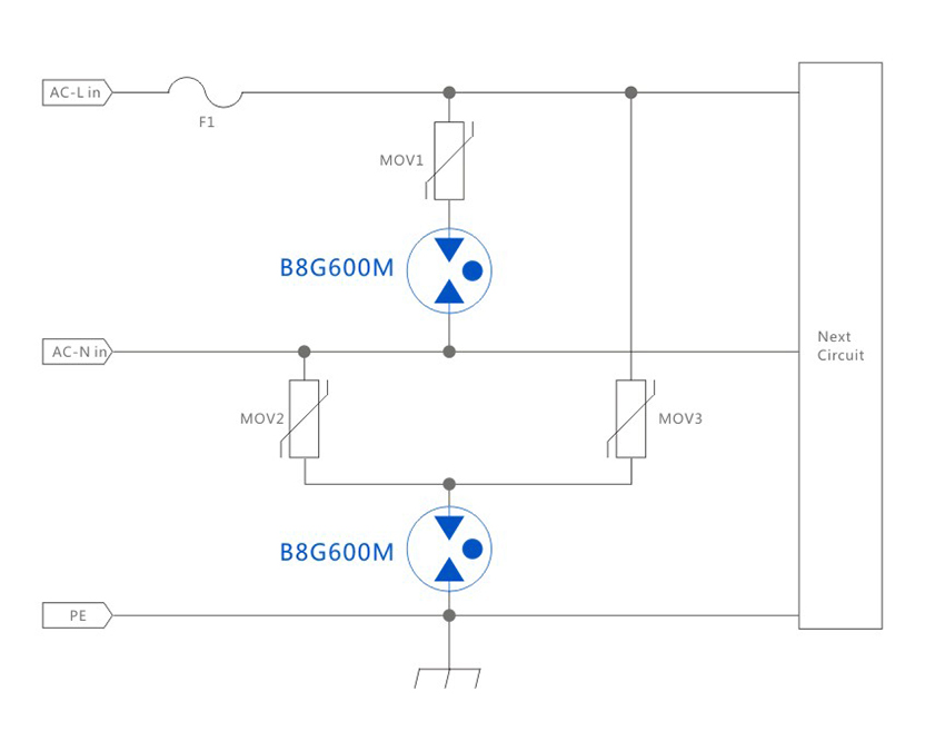
AC220V 1.2/50μs-8/20μs CM/DM10KV-5KA