联系kaiyun入口

实验室资源

解决方案

产品展示

关于kaiyun入口

首页

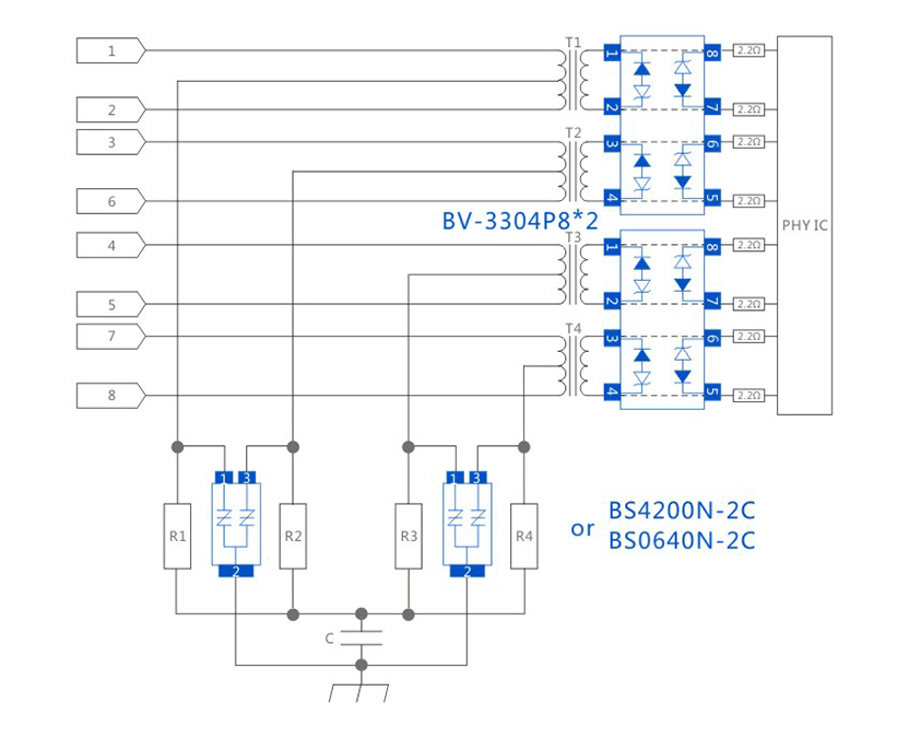
RJ45 10/700μs CM/DM 6KV