开云(中国)Kaiyun·官方网站 - 登录入口
企业邮箱登录
中文
|
EN
联系kaiyun入口
联系方式
在线留言
实验室资源
电磁兼容
材料分析类
可靠性类
解决方案
行业应用指南
选型指南
技术分享
培训视频
产品展示
陶瓷气体放电管(GDT)
半导体放电管(TSS)
瞬态抑制管(TVS)
静电保护管(ESD)
板载浪涌保护(SPD)
光伏浪涌保护(SPD)
LED浪涌保护器(SPD)
压敏电阻(MOV)
压敏复合器件(BMG)
稳压管(Zener)
关于kaiyun入口
kaiyun入口简介
kaiyun入口质量
kaiyun入口荣誉
kaiyun入口文化
人力资源
首页
解决方案
行业应用指南
选型指南
技术分享
培训视频
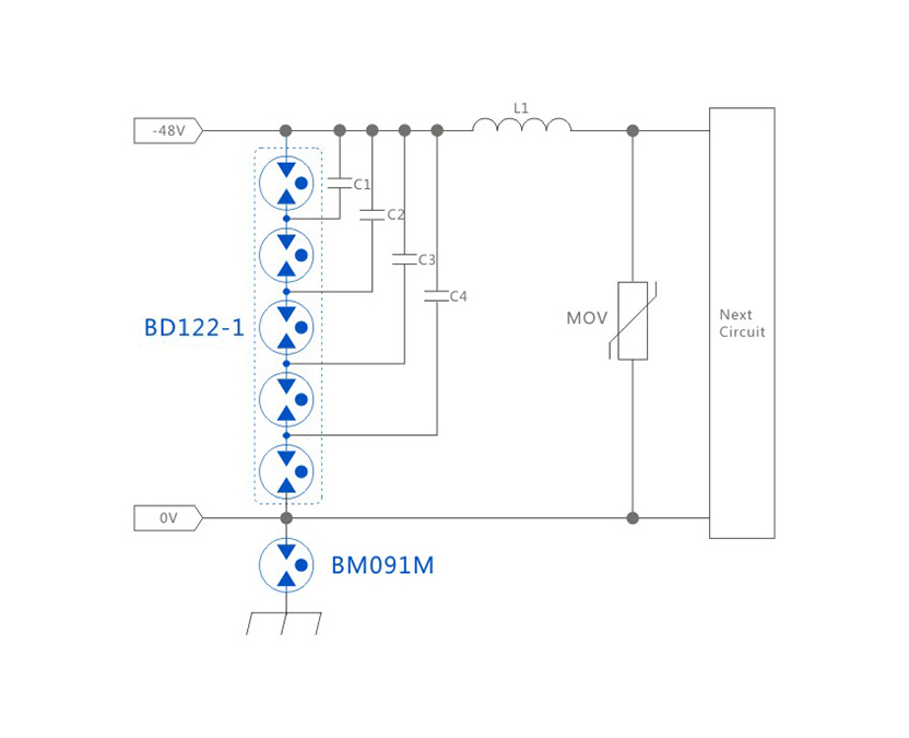
DC48V
DC48V
>
行业应用指南
>
解决方案
>