联系kaiyun入口

实验室资源

解决方案

产品展示

关于kaiyun入口

首页

kaiyun入口动态

kaiyun入口电子│电源口起火风险及解决方案

发布时间:2017-05-26 11:26:39 作者: 查看人数:7488


  导读

   近几年,防雷元器件以及防护方案的蓬勃发展,电源口基本不会出现由于雷击导致的损坏,但随之带来的问题是压敏电阻在遭受异常工频过电压时的起火燃烧事故。


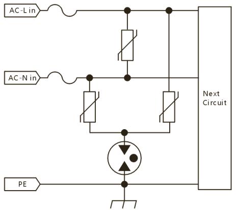
  电源口三加一电路应用风险

   下图为电源口典型的三加一电路,三颗压敏加一颗气体放电管:


    根据设备应用环境,如电源口需要耐受5KA雷击,那么至少在电路中需要串入15A的保险丝,15A保险丝的动作电流为30A,也就是说在30A之前保险丝无法起到保护效果,但30A以下足以使压敏电阻起火燃烧。


    视频1:回路中加电1000V,20A时,15A的保险丝无法动作,压敏起 火燃烧。



   T-MOV产品的应用风险

     T-MOV依照的标准为UL1449,具体关于T-MOV脱扣性能的部分条款如下:


    永久连接SPD,限流过电压测试的最大电流为10A,所以在电路中使用还是有盲区存在,当电路中的电流为10A-30A时,T-MOV就会起火燃烧。

    视频2: 回路中加电1000V,20A时,T-MOV起火燃烧。


   有效的解决方案

    如需彻底解决这个问题,我们需要一种理想电子元件,应具以下性能:

    1.雷击能够正常通过,工频(1-50A)呈现开路失效;

    2.定义不同工频电流对应切断电路的时间,在这个电流时间下,压敏可以耐受;

    3.由于压敏击穿后阻抗不确定,发热量不受控制,所以不能依赖于压敏发热切断电路。

    开路失效气体放电管可以满足这三点性能,且可以在工频过来时很快切断电路,如下图为开路失效气体放电管的工频电流和断开时间测试曲线:

     视频3:回路中加电1000V,20A时,开路失效气体放电管0.68S切断电路。

     视频4:回路中加电1000V,40A时,开路失效气体放电管0.52S切断电路。


    开路失效气体放电管能够很快的断开工频电流而不依赖于外部热量,是由其内部结构决定的。


   结论

    AC交流电源口通用三加一解决方案和T-MOV方案还是有导致起火燃烧的盲区存在,开路失效气体放电管正好解决了这个盲区,推荐使用在共模或差模之间串联压敏电阻使用。